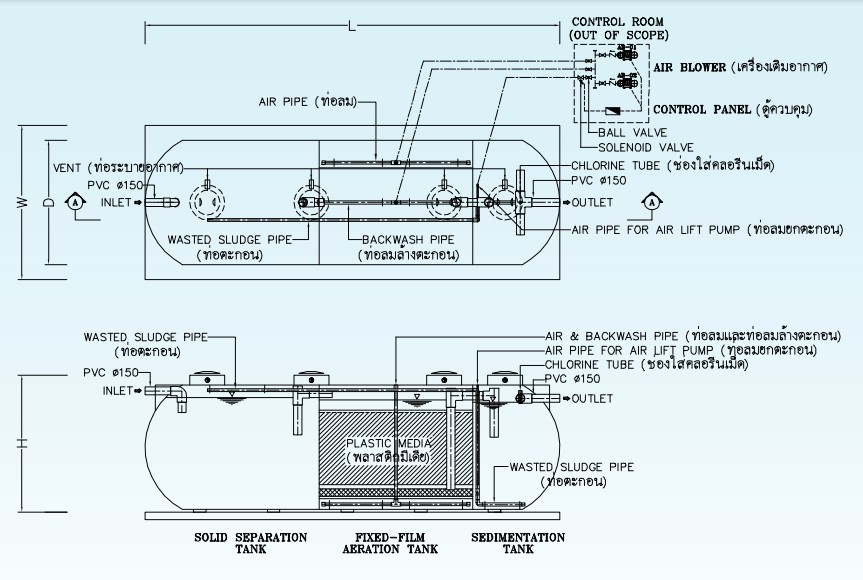
ถังบำบัดน้ำเสีย AQUA NBFR-SERIES
เป็นถังบำบัดรุ่นยอดนิยม ที่ออกแบบเพื่อบำบัดน้ำเสียจากอาคารขนาดกลางและขนาดใหญ่ ประกอบด้วยส่วนแยกตะกอน ส่วนเติมอากาศ และส่วนตกตะกอน ออกแบบให้ได้ค่า BOD <= 20 mg/l และ SS <= 30 mg/l ตามข้อกำหนดของกฏหมายควบคุมคุณภาพน้ำทิ้งอาคาร มีขนาดรองรับปริมาณน้ำเสียชุมชนตั้งแต่ 10-500 cum/day
ถังบำบัดน้ำเสีย AQUA NBFR-SERIES
ผู้นำด้านระบบบำบัด Fixed Film Aeration เป็นถังบำบัดชนิดเติมอากาศ สำหรับบำบัดน้ำเสียที่มาจากห้องน้ำโดยเฉพาะบำบัดน้ำเสียด้วยกระบวนการตกตะกอนของเสีย และระบบ Fixed Film Aeration จึงมั่นใจได้ว่าน้ำทิ้งจากห้องน้ำ ที่ผ่านการบำบัดคุณภาพดีได้มาตรฐาน
- ง่ายต่อการดูแลรักษาตลอดอายุการใช้งาน ทำงานได้ทันทีไม่ต้องเลี้ยงเชื้อ สูบตะกอนน้อย หมดปัญหาเรื่องกลิ่นรบกวน
- ประสิทธิภาพสูงระบบ Fixed Film Aeration และ Random Flow Media ระบบมีประสิทธิภาพสูงและมีความเสถียร
- น้ำทิ้งที่ผ่านการบำบัดจึงมั่นใจได้ว่า ผ่านมาตรฐานชุมชน
- ใช้ชุดควบคุมอัตโนมัติ ดูแลรักษาง่ายไม่ต้องใช้ผู้เชี่ยวชาญในการดูแลระบบ
- ติดตั้งใต้ดินประหยัดเนื้อที่ใช้ได้ทั้งใต้อาคาร ในสนาม หรือในสวน
- ตัวถังผลิตด้วย ไฟเบอร์กลาส FRP(Fiberglass Reinforce Plastic) แข็งแรงทนทานตลอดอายุการใช้งาน

